Description
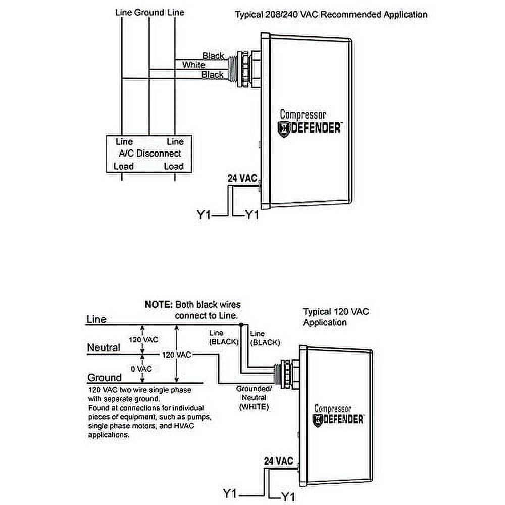
Power disturbances damage air conditioner compressors without warning. Let the Compressor Defender by Intermatic take the hit so air conditioners are never interrupted. The all-in-one Compressor Defender device protects compressors and circuit boards in residential and light commercial applications from brownouts, surges and short cycles. The protective device can be installed inside a condensing unit or on an outdoor compressor. LED indicators provide real-time status updates for quick and easy troubleshooting. Compliant with AHRI Standard 110-1012 Range B2 for voltage drop protection. Specifications: 120-240 VAC Single Phase 60 Hz | Normally Closed Relay 24 VAC | Type 2 SPD | Control Output Current Rating: 2A @ 24 VAC, isolated N.C. contact | Voltage Protection Rating: L-N/G: 700, L-L: 1200 | Nominal Discharge Rating: In (10 kA) |Max Continuous Over-Voltage (MCOV): L-N/G: 150V, L-L: 300V | Short Circuit Current Rating: 20kA | Under-Voltage Response Time: 3 line cycles Operating Temp: -40°F to 158°F (-40°C to 70°C).
Surge, brownout and short cycle protection with 120, 208 and 240 VAC loads Crafted from durable materials and designed for a long service life. Engineered to withstand heavy use and harsh conditions. Easy to install to for everyone, whether for DIY enthusiasts or professional installation. Thoroughly tested to meet industry standards and deliver reliable results. Thoroughly tested to meet industry standards and deliver reliable results.
Specifications
| Brand | Intermatic |
|---|---|
| Model | CD1-024R |
| UPC | 078275142923 |
| Color | Assorted |







Reviews
There are no reviews yet.